国家高新技术企业 浙江双软企业 杭州市级研发中心

杭州继保电气集团有限公司

继保电气 · 电力设备(继电保护及自动化)制造/生产厂家

新闻动态
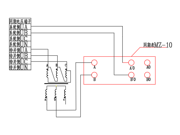
揭秘MZ-10同期表在杭州继保电气同期屏中的妙用

揭秘MZ-10同期表在杭州继保电气同期屏中的妙用

杭州继保电气集团是一家电力系统及自动化生…
如何解决带抽头的电流互感器接线问题?杭州继保告诉你答案

如何解决带抽头的电流互感器接线问题?杭州继保告诉你答案

杭州继保电气集团有限公司RCX-9000…
杭州继保电气集团光伏发电系列继电保护装置介绍

杭州继保电气集团光伏发电系列继电保护装置介绍

能源问题是制约社会发展的关键因素,随着不…
杭州继保电气集团电子高新复审工作自3月起拉开帷幕

杭州继保电气集团电子高新复审工作自3月起拉开帷幕

作为一个在微机保护和电力自动化技术上不断…
10kV配电室里都有哪些设备?杭州继保电气集团人告诉你答案(三)

10kV配电室里都有哪些设备?杭州继保电气集团人告诉你答案(三)

基于工程实例,图文解读10kV配电室内的…
10kV配电室里都有哪些设备?杭州继保电气集团人告诉你答案(二)

10kV配电室里都有哪些设备?杭州继保电气集团人告诉你答案(二)

基于工程实例,图文解读10kV配电室内的…
55 / 58
首页上一页545556下一页末页