国家高新技术企业 浙江双软企业 杭州市级研发中心

杭州继保电气集团有限公司

继保电气 · 电力设备(继电保护及自动化)制造/生产厂家

百科问答
微机消谐装置的作用

微机消谐装置的作用

微机消谐装置是一种高容量非线性电阻器,在…
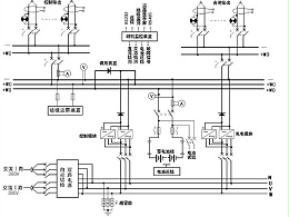
【微机保护装置】PT并列保护电压切换继电器来回重动解析

【微机保护装置】PT并列保护电压切换继电器来回重动解析

什么是PT并列呢?PT并列是将一段母线的…
【杭州继保电气集团】电力工程师教你如何避免配电罚款

【杭州继保电气集团】电力工程师教你如何避免配电罚款

之前已经了解了电费罚款的情况,现在继保电…
【杭州继保电气集团】电力工程师告诉你什么是配电罚款

【杭州继保电气集团】电力工程师告诉你什么是配电罚款

工业用电经常会遇到电力公司有所谓的罚款,…
【微机保护装置】产品介绍

【微机保护装置】产品介绍

什么叫微机保护装置?微机保护装置是对电力…
解析!变电站的心脏——直流屏

解析!变电站的心脏——直流屏

直流屏的作用是为高压开关在正常运行和事故…
35 / 37
首页上一页353637下一页末页